Oilbath ONE 10
Standard delivery Oilbath
On this page, you can find all the essential technical data on the Memmert oil bath. Our customer relations team will be pleased to help if you want further information. If you should require a customised special solution, please contact our technical specialists at myAtmoSAFE@memmert.com.

Properties
Control of standard components
| Controller | digital display (LED) of all set parameters, such as temperature and alarm values (0,1°C resolution) as well as time values |
|---|---|
| Timer | digital timer from 1 min. up to 999 hours for: ON (continuous operation), DELAYED ON, HOLD or HOLD set-temperature dependent with guaranteed holding time |
Temperature
| Temperature range in °C | min. 5°C above ambient up to +200°C |
|---|---|
| resolution of display and setting accuracy | +0,1°C below 99,9°C, 1°C above 100°C |
Control technology
| Calibration | on controller |
|---|
Safety
| Temperature control | 2 Pt100 sensors Class A in 4-wire-circuit, mutually monitoring and taking over the performance at the same temperature value |
|---|---|
| Temperature control | mechanical temperature limiter TB protection class 1 switching the heating off at approx. 30°C above max. temperature of the bath |
| Temperature control | independently working, electronic overtemperature temperature limiter TWB protection class 2 |
| Temperature control | in case of overtemperature due to failure, the heating is switched off at approx. 10°C above the set temperature (fixed value) |
| Autodiagnostic system | fuzzy-supported PID microprocessor controller with integrated autodiagnostic system with fault indication |
| Alarm | visual and acoustic alarm at programme end and as input acknowledgement as well as in case of low liquid level, heating is switched off automatically |
Heating concept
| corrosion-proof large-area heating on three sides |
|---|
Standard equipment
| Interior | easy-to-clean interior, made of stainless steel, reinforced by deep drawn ribbing, material no. 1.4301 (ASTM 304), laser-welded |
|---|---|
| Interior | material 1.4301 (ASTM 304), corrosion resistant |
Stainless steel interior
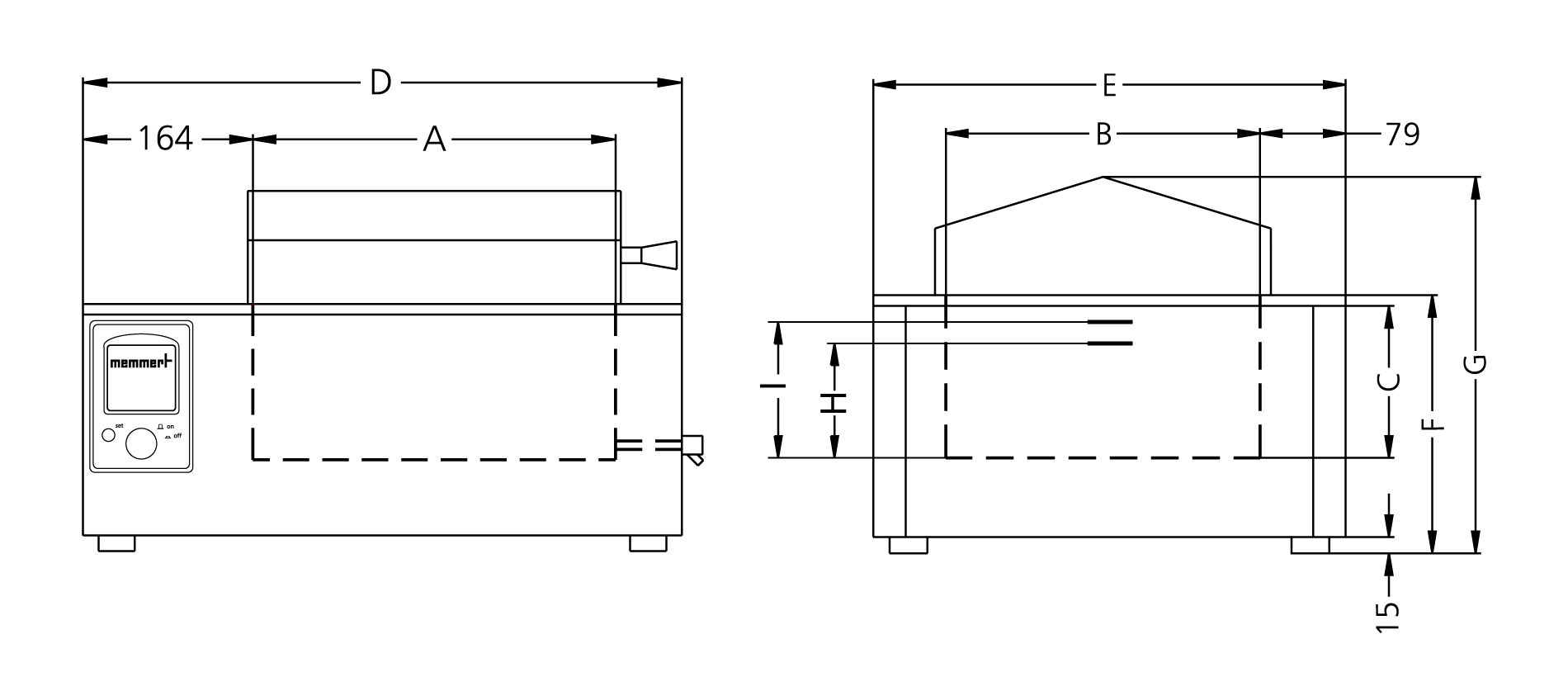
| Dimensions W x H x D in mm | w(A) x h(B) x d(C): 210 x 140 x 350 mm |
|---|---|
| Volume 10 l | |
Textured stainless steel casing
| w(D) x h(E) x d(F): 356 x 238 x 578 mm |
Electrical data
| Voltage | 230 V, 50/60 Hz |
|---|---|
| Electrical load | approx. 1200 W (during heating) |
Packing/shipping data
| the appliances must be transported upright | |
|---|---|
| Customs tariff number | 8419 8998 |
| Country of origin | Federal Republic of Germany |
| WEEE-Reg.-No. | DE 66812464 |
| Dimensions approx incl. carton B x H x T: 670 x 450 x 380 mm | |
| Net weight approx. 13 kg | |
| Gross weight carton approx. 19 kg | |