Waterbath WNB 10
Standard delivery Waterbath
On this page, you can find all the essential technical data on the Memmert water bath. Our customer relations team will be pleased to help if you want further information. If you should require a customised special solution, please contact our technical specialists at myAtmoSAFE@memmert.com.

Properties
Control of standard components
| Temperature | 1 Pt100 sensor class A in 4-wire-circuit |
|---|---|
| Timer | integrated digital timer from 1 min. to 99,59 hours for: ON continuous operation WAIT (delayed on for continuous and limited timed operation) HOLD |
Temperature
| Temperature range in °C | min. 5°C above ambient up to +95°C with additional boiling mode (+100°C) |
|---|
Safety
| Temperature control | mechanical temperature limiter TB protection class 1 switching the heating off at approx. 30°C above max. temperature of the bath |
|---|---|
| Temperature control | in case of overtemperature due to failure, the heating is switched off at approx. 10°C above the set temperature (fixed value) |
| Autodiagnostic system | microprocessor PID-temperature controller with integrated autodiagnostic system with fault indicator |
Heating concept
| corrosion-proof large-area heating on three sides |
|---|
Standard equipment
| Controller | LEDs for indication of programme status |
|---|---|
| Controller | digital display (LED) of set and actual temperature (0,1°C resolution) and of (remaining) programme time |
| Interior | easy-to-clean interior, made of stainless steel, reinforced by deep drawn ribbing, material no. 1.4301 (ASTM 304), laser-welded |
| Interior | material 1.4301 (ASTM 304), corrosion resistant |
Stainless steel interior
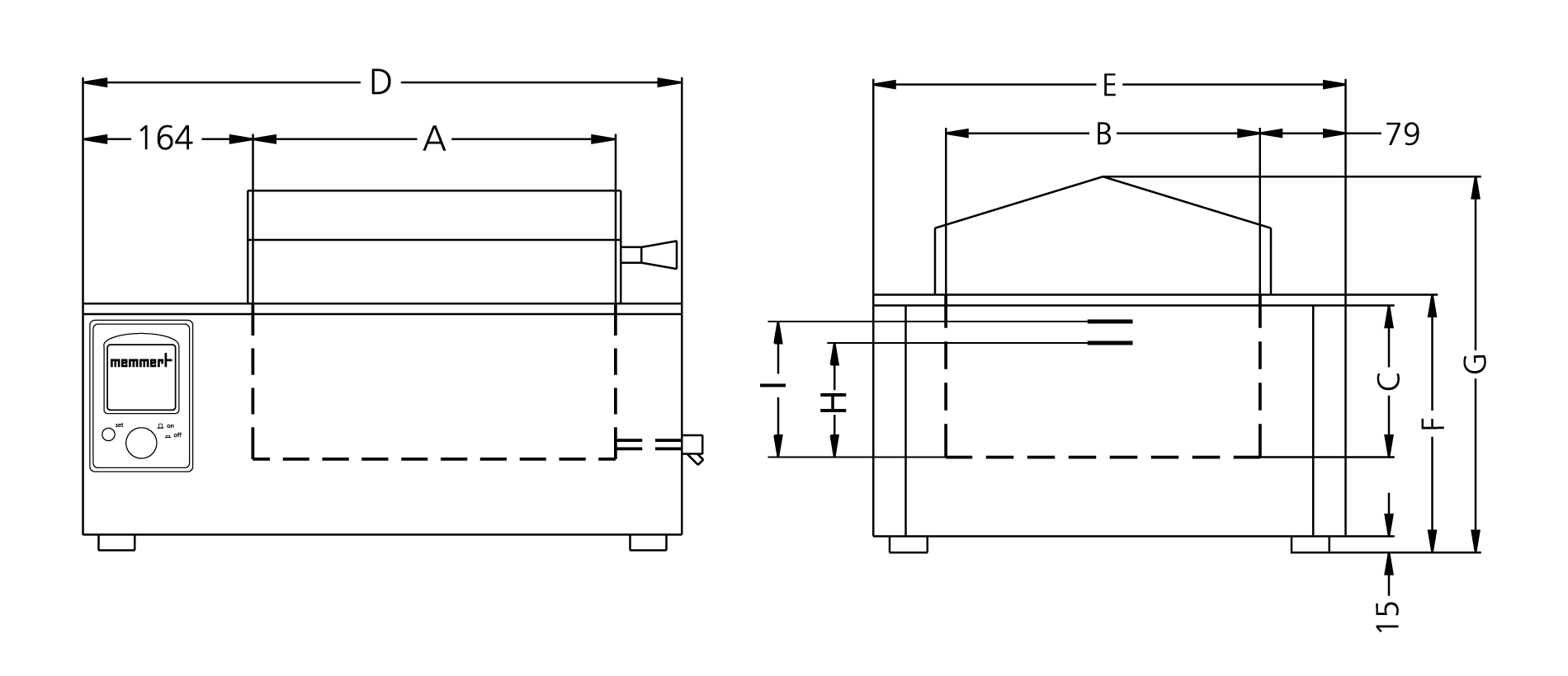
| Dimensions W x H x D in mm | w(A) x h(B) x d(C): 210 x 140 x 350 mm |
|---|---|
| Volume 10 l | |
Textured stainless steel casing
| w(D) x h(E) x d(F): 356 x 238 x 578 mm |
Electrical data
| Voltage | 230 V, 50/60 Hz |
|---|---|
| Electrical load | approx. 1200 W (during heating) |
Packing/shipping data
| the appliances must be transported upright | |
|---|---|
| Customs tariff number | 8419 8998 |
| Country of origin | Federal Republic of Germany |
| WEEE-Reg.-No. | DE 66812464 |
| Dimensions approx incl. carton B x H x T: 670 x 450 x 380 mm | |
| Net weight approx. 13 kg | |
| Gross weight carton approx. 19 kg | |